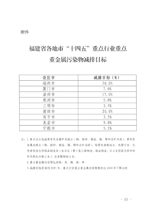
福建省生态环境厅印发《福建省进一步加强重金属污染防控实施方案》,重点防控的重金属污染物是铅、汞、镉、铬、砷、铊和锑,并对铅、汞、镉、铬和砷五种重点重金属污染物排放量实施总量控制。重点行业包括重有色金属矿采选业(铜、铅锌、镍钴、锡、锑和汞矿采选),重有色金属冶炼业(铜、铅锌、镍钴、锡、锑和汞冶炼),铅蓄电池制造业,电镀行业,化学原料及化学制品制造业(电石法(聚)氯乙烯制造、铬盐制造、以工业固体废物为原料的锌无机化合物工业),皮革鞣制加工业等6个行业。
















福建省生态环境厅印发《福建省进一步加强重金属污染防控实施方案》,重点防控的重金属污染物是铅、汞、镉、铬、砷、铊和锑,并对铅、汞、镉、铬和砷五种重点重金属污染物排放量实施总量控制。重点行业包括重有色金属矿采选业(铜、铅锌、镍钴、锡、锑和汞矿采选),重有色金属冶炼业(铜、铅锌、镍钴、锡、锑和汞冶炼),铅蓄电池制造业,电镀行业,化学原料及化学制品制造业(电石法(聚)氯乙烯制造、铬盐制造、以工业固体废物为原料的锌无机化合物工业),皮革鞣制加工业等6个行业。















